8,10 €*
Inhalt:
1 ST
Versandfertig in 1 Tag, Lieferzeit 2-3 Tage
Zahlungsmethoden
Produktinformationen "Topfscharnier, Blum Clip Top Blumotion 110°, Mittel-/Zwillingsanschlag (ST)"
- Produktnummer:
- PID426964.1
- Herstellernummer:
- 34242661
- Hersteller:
- häfele
Topfscharnier, Blum Clip Top Blumotion 110°, Mittel-/Zwillingsanschlag
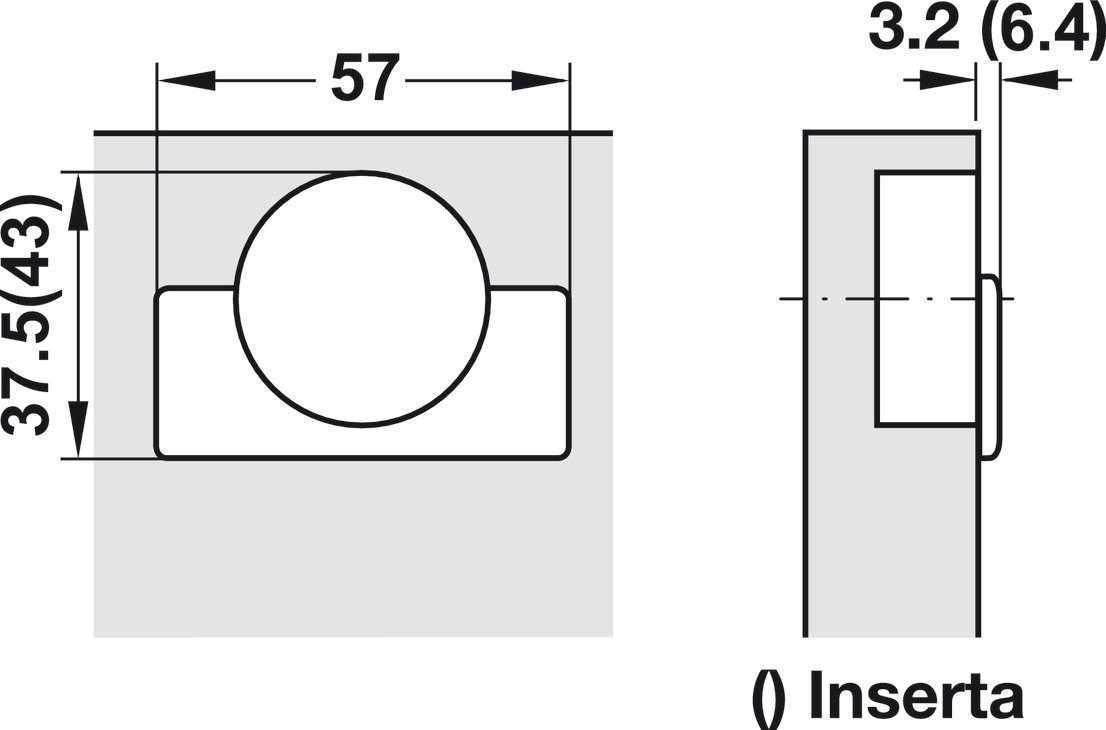
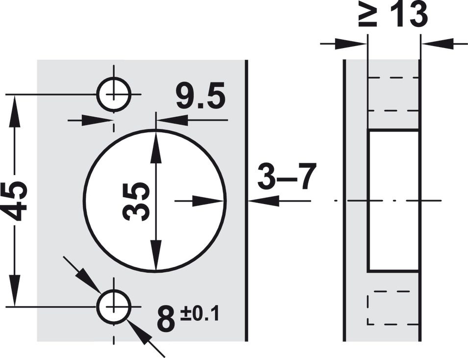
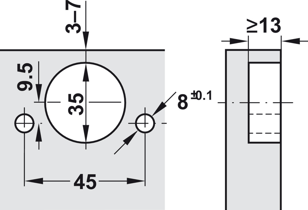
für Standardanwendungen, Topfbefestigung: werkzeuglos, Modell: 71B3690, Bohrbild: 45/9,5 mm
Technische Informationen
- Farbe / Oberfläche: vernickelt
- Einsatzbereich: für Standardanwendungen
- Variante:
- Türanschlag: Mittel-/Zwillingsanschlag
- Kröpfungsart: gekröpft
- für Türwerkstoff: Holz
- Türbearbeitung: mit Topfbohrung
- Öffnungswinkel: 110°
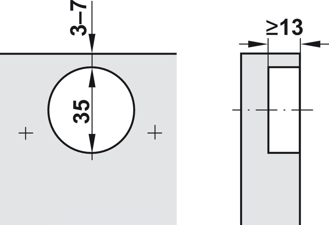
- Topf Bohrtiefe: 13 mm
- Topf Bohrdurchmesser: 35 mm
- Bohrbild: 45/9,5
Einstellmöglichkeit
- Seitenverstellung ±2 mm, Höhenverstellung ±3 mm, Tiefenverstellung -2 – 3 mm, Höhenverstellung je nach Montageplatte
- Montage Tür am Korpus werkzeuglos mit Clip-Technik
| Anschlagsart: | Mittelanschlag, Zwillingsanschlag |
|---|---|
| Loch Ø: | 35,0 mm |
| Bohrtiefe: | Topf Bohrtiefe 13 mm |
| Farbe: | Vernickelt |
| Material : | Stahl |
| Veredlung: | vernickelt |
Datenblatt "Topfscharnier, Blum Clip Top Blumotion 110°, Mittel-/Zwillingsanschlag (ST)"