- arbeitsSchutz
-
bauMarkt
- Abdecken & Schützen
- Befestigen & Verbinden
- Beschriften & Kennzeichnen
- Kleben & Dichten
- Reinigen & Pflegen
- Schmieren & fetten
- Wartungs- & Servicechemie
- Farbe & Beschichtungen
- Elektro & Installation
- Sanitär & Heizung
-
Beschläge | Bau
- Türbänder
- Türtechnik
- Griffe & Drücker
- Stoßgriffe & Knauf
- Fenstertechnik
- Hebeschiebetürtechnik
- Innenschiebetüren
- Glasbeschlagtechnik
- Schließtechnik
- Verglasungstechnik
- Tor & Zaun
- Geländer & Handlauf
- Briefkasten & Hausnummern
- Beschlagersatzteile Hersteller
- Beschläge | Möbel
- Schläuche & Leitungen
- Kraftfahrzeug
- Brandschutz & Sicherheit
- zuSchnitt
- Zubehör & Hilfsmittel
- Technik & Ersatzteile
- Elektrogeräte
- Bauelemente
- Baustoff & Material
- Aktion
- secTor
- werkZeug
- eQuip
- offIce
- handWerk
- modulBau
- ★ Marken
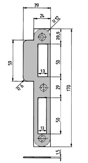
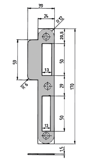
Lappenschließbleche - bewährte Standardlösung für Zimmertüren
Lappenschließbleche sind eine spezielle Form von Schließblechen und werden hauptsächlich bei Zimmertüren und leichten Innentüren eingesetzt. Sie zeichnen sich durch ihren sogenannten „Lappen“ aus - eine verlängerte Fläche, die in der Türzarge aufliegt und für eine saubere Führung von Falle und Riegel sorgt.
Sie gehören zu den am häufigsten verwendeten Schließblechen im Innenbereich und bieten eine einfache, zuverlässige und kostengünstige Lösung.
Produkte filtern
–
FAQ - Häufig gestellte Fragen
Ein flaches Schließblech mit verlängertem Lappen zur stabilen Montage in der Türzarge.
Vor allem für Zimmertüren und leichte Innentüren.
Einfache Montage, günstiger Preis und hohe Kompatibilität.
Standard ist meist 170 mm - wichtig ist aber die genaue Anpassung an dein Schloss.
Ja, der Austausch ist einfach und schnell möglich.
Für Innenbereiche absolut ausreichend - für Haustüren solltest du verstärkte Varianten wählen.