Z-Kantungen nach Maß - Präzise Z-Profile aus Metall für Konstruktion & Bau
Unsere hochwertigen Z-Kantungen aus Metall sind die ideale Lösung für stabile, funktionale und vielseitig einsetzbare Konstruktionen. Ob im Fassadenbau, Metallbau oder bei technischen Anwendungen - wir fertigen Ihre Z-Kantteile exakt nach Maß.
Durch modernste Fertigung auf unseren Hochleistungsanlagen
TruLaser 5060 fiber (10 kW) und TruLaser 5030 fiber (6 kW) entstehen präzise Zuschnitte als perfekte Grundlage für exakte Abkantungen und passgenaue Bauteile.
Effiziente Fertigung & wirtschaftliche Produktion
Im Vergleich zu klassischen Verfahren profitieren Sie von:
- Weniger Arbeitsschritten
- Geringeren Kosten
- Schnelleren Durchlaufzeiten
- Konstanter Qualität
Bauteile können in einem Arbeitsgang gefertigt werden - inklusive Konturen, Bohrungen und Ausschnitten.
FAQ - Häufig gestellte Fragen
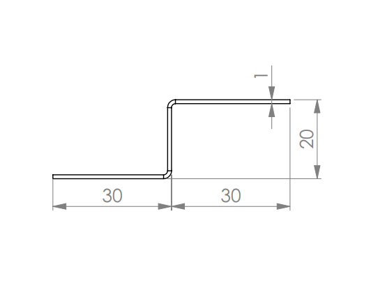
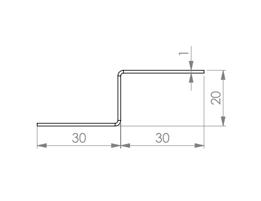
Ein gekantetes Blech mit zwei entgegengesetzten Winkeln, das eine Z-Form bildet.
Für:
- Fassadenkonstruktionen
- Unterkonstruktionen
- Anschlussbleche
- Verstärkungen
Wir fertigen auf modernen TRUMPF Anlagen:
- TruLaser 5060 fiber (10 kW)
- TruLaser 5030 fiber (6 kW)
Diese ermöglichen höchste Präzision und wirtschaftliche Fertigung.
Je nach Material und Maschine sind u. a. möglich:
- Stahl: bis ca. 30 mm
- Edelstahl: bis ca. 40 mm
- Aluminium: bis ca. 30 mm
Typische Anwendungen sind:
- Fassadenbau
- Metall- und Stahlbau
- Maschinenbau
- Unterkonstruktionen