Laibungsbleche aus Metall - Präzise Lösungen für Fenster- und Türanschlüsse
Unsere hochwertigen Laibungsbleche aus Metall sorgen für saubere, langlebige und optisch ansprechende Abschlüsse an Fenster- und Türöffnungen. Sie schützen die Laibung zuverlässig vor Witterungseinflüssen und gewährleisten eine fachgerechte Ausführung im Innen- und Außenbereich.
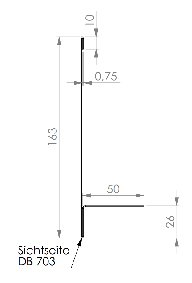
Die Laibung beschreibt dabei die seitlichen Begrenzungsflächen von Fenster- und Türöffnungen und bildet die wichtige Übergangszone zwischen Mauerwerk und Rahmen.
Unsere Laibungsbleche werden exakt nach Maß gefertigt und lassen sich optimal in jede Bau- oder Sanierungssituation integrieren.
Präzision durch moderne Lasertechnologie
Gefertigt auf unseren leistungsstarken Anlagen:
- TruLaser 5060 fiber (10 kW)
- TruLaser 5030 fiber (6 kW)
profitieren Sie von:
- Höchster Maßgenauigkeit
- Sauberen Schnittkanten
- Perfekter Passform für einfache Montage
- Schneller und wirtschaftlicher Produktion
Auch komplexe Geometrien und individuelle Anpassungen lassen sich problemlos realisieren.
FAQ - Häufig gestellte Fragen
Ein gekantetes Metallblech, das zur Verkleidung und zum Schutz der Fenster- oder Türlaibung eingesetzt wird.
Wir fertigen auf modernen TRUMPF Anlagen:
- TruLaser 5060 fiber (10 kW)
- TruLaser 5030 fiber (6 kW)
Diese ermöglichen höchste Präzision und schnelle Produktion.
- Stahl
- Edelstahl
- Aluminium
Je nach Einsatzbereich wählen wir das passende Material für Stabilität und Witterungsbeständigkeit.
- Exakte Passform
- Weniger Nacharbeit
- Schnellere Montage
- Hohe Wiederholgenauigkeit
Zusätzlich können konstruktive Elemente integriert werden, um die Montage zu erleichtern.